列表展示
全国服务热线
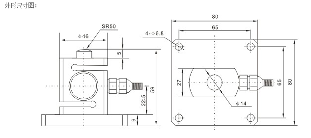
传感器用途与特点
精度高、安装简便、防潮性能好,适用于电子皮带秤、包装秤等。 用于工程力检测、过载安全检测及冲击力测 量与控制. 可选择变送器,标准信号 0~10mA、4~20mA或0~5V输出。 量程:1,1.5(kN)