产品中心
产品中心
列表展示
全国服务热线
180-9658-3650/138-1541-8987
拉力传感器
产品简介

一、特点与用途:
1、外形尺寸小,测量精度高,上下M12×1.75螺纹连接。
2、不锈钢或铝合金材料,拉压双向,输出对称性能好。
3、动态响应频率高,0~100KHZ。
4、焊接力测试及张力测试。
5、内部带有过载保护功能,过载能力300%。
主要用于:汽车压装、自动化组装、3C产品测试、新能源产品组装、医疗检测、机器人领域,模具组装及其他工业测试、测量及控制系统。
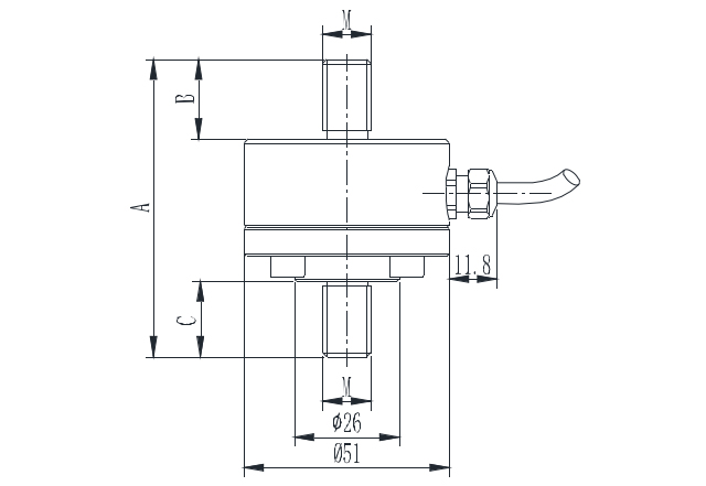
二、外形尺寸图:

|
量程(kg) |
A |
B |
C |
Φ |
M |
|
10kg |
37.5 |
12 |
11.5 |
26 |
M5 |
|
20kg |
37.5 |
12 |
11.5 |
26 |
M5 |
|
30kg |
37.5 |
12 |
11.5 |
26 |
M5 |
|
50kg |
37.5 |
12 |
11.5 |
26 |
M5 |
|
100kg |
70 |
19 |
17 |
51 |
M12 |
|
150kg |
70 |
19 |
17 |
51 |
M12 |
|
200kg |
70 |
19 |
17 |
51 |
M12 |
|
300kg |
70 |
19 |
17 |
51 |
M12 |
|
500kg |
70 |
19 |
17 |
51 |
M12 |
|
1000kg |
70 |
19 |
17 |
51 |
M12 |
|
2000kg |
70 |
19 |
17 |
51 |
M12 |
三、技术参数表:
|
参数 |
Specifications |
技术指标/Technique |
|
额定容量 |
Capacity |
10kg、20kg、30kg、50kg、100kg、200kg、500kg 、1000kg、2000kg |
|
输出灵敏度 |
Rated output |
1.50±10%mV/V |
|
零点输出 |
Zero balance |
±0.05mV/V |
|
非线性 |
Non-linearity |
0.05%F.S. |
|
滞后 |
Hysteresis |
0.05%F.S. |
|
重复性 |
Repeatability |
0.05%F.S. |
|
蠕变(30min) |
Creep(30min) |
0.05%F.S. |
|
温度灵敏度漂移 |
Temp.effect on output |
0.025%F.S./10℃ |
|
零点温度漂移 |
Temp.effect on zero |
0.025%F.S./10℃ |
|
输入电阻 |
Input impedance |
750±20Ω |
|
输出电阻 |
Output impedance |
700±5Ω |
|
绝缘电阻 |
Insulation |
≥5000MΩ/100VDC |
|
激励电压 |
Recommended excitation |
10V |
|
最大激励电压 |
Maximum excitation |
15V |
|
温度补偿范围 |
Compensated temp range |
-10~60℃ |
|
工作温度范围 |
Operation temp range |
-20~80℃ |
|
安全超载 |
Safe overload |
150%F.S. |
|
极限超载 |
Ultimate overload |
200%F.S. |
|
电缆线尺寸 |
Cable size |
Φ3×4000mm |
|
单件重量 |
Weight approx. |
1kg |
|
材料 |
Material |
Stainless Steel(不锈钢) |
|
防护等级 |
IP Class |
IP67 |
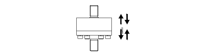
四、受力方式:

五、接线图:
